• +86 15603721115
  • Building 1, Cross-border E-commerce Industrial Park, Comprehensive Bonded Zone, Zhengpugang New District, Maanshan City, Anhui Province,China
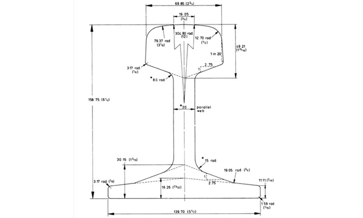
BS113A Rail Specifications and Drawings

BS113A rails are used for mine railway lines or subways, etc. The material is 900A, the hardness is greater than 880N/mm2, and the length can be 8-25 meters.

 

BS113A rails refer to a special type of rails that meet the requirements of BS 113A standards.

 

Kingrail Parts is a reliable rail product manufacturer with more than 20 years of experience, dedicated to providing materials and solutions for the rail industry. After years of development, we have established strict rail product quality management specifications and established reliable cooperative relationships with customers in more than 30 countries.

 

We can provide high quality BS113A rails, if you have any questions about BS113A rails, welcome to contact us.

 

Customization Options

Rail Processing: Pre-drilled bolt holes, miter cuts, and welding services for rapid installation.

Accessories: High-strength fish plates, anti-creep anchors, and crane rail clamps available for complete track solutions.

 

Specifications

Size

Rail height(mm)

Bottom Width(mm)

Head Width(mm)

Web Thickness(mm)

Weight(kg/m)

BS113A

158.75

139.70

69.85

20.00

56.398


Drawings

 

Get more information

Please contact us for more information and quotes.

Drop Messages:

Please contact us with any concerns or questions you have.