• +86 15603721115
  • Building 1, Cross-border E-commerce Industrial Park, Comprehensive Bonded Zone, Zhengpugang New District, Maanshan City, Anhui Province,China
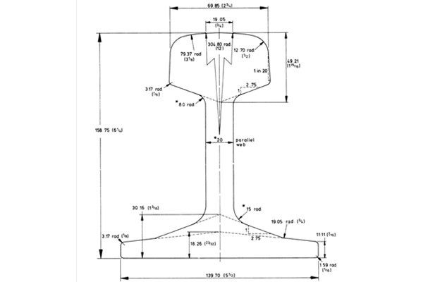
115RE Rail Dimensions and Manufacturers

115RE rails are mainly used for heavy rails of mine tracks and are produced according to the 115 lb rail standard set by AREMA (American Railway Engineering and Maintenance Association).

 

As a professional rail manufacturer, Kingrail Parts can provide high-quality and low-price 115RE rails.

 

Specifications

Size: AREMA 115lb rails, AREMA 115RE rails. TR57 rails

Material: high strength, medium strength, standard strength

Standard: AREMA

Length: 12m~25m or other lengths as required by customers

 

Size

Head (mm)

Height (mm)

Base (mm)

Web (mm)

Nominal weight (kg/m)

Material

Length (m)

115RE(115lb)

69.06

168.28

139.7

15.88

56.9

900A/1100

12-25


Drawings

 

Get more help

Please contact us for more information and quotes.

Drop Messages:

Please contact us with any concerns or questions you have.